O experimento é rico em conteúdo e cobre de forma abrangente as quatro características mais importantes do LED-luz, eletricidade, cor e calor. É o conhecimento teórico mais básico necessário para os cursos obrigatórios de especializações em optoeletrônica em universidades.
Vários módulos experimentais são independentes uns dos outros, mas também se apoiam mutuamente. As divisões de função dos componentes são claramente definidas, tornando mais fácil para os alunos entenderem.
Os componentes do dispositivo experimental e o design de software são todos projetados de acordo com os padrões de produtos de ensino. As configurações de operação estão em conformidade com os requisitos de ensino e as funções do software estão completas, incluindo navegação de conhecimento, módulos de teste independentes, que permitem que os alunos tenham um pensamento lógico claro e fácil compreensão ao usá-lo, alcançar o efeito do aprofundamento da aprendizagem teórica.
O princípio do teste de parâmetros segue rigorosamente os atuais padrões de teste autoritários na China e no exterior. Por exemplo: o teste de intensidade de luz média adota as condições padrão de teste de intensidade de luz média CIE; o teste de fluxo luminoso adota o método de esfera de integração; a medição de temperatura de junção adota o método de corrente de pulso. Este método tem as vantagens de simplicidade, não destrutividade, precisão e boa resposta transitória.
Experimento de teste característico de Volt-ampere.
Experiência de relacionamento entre intensidade de luz e corrente.
Experiência de relacionamento entre fluxo luminoso e corrente.
Experiência de medição das características de distribuição espacial da luz de saída de LED.
Experiência de medição de parâmetros de cromaticidade de diferentes LEDs.
Experimento de correspondência de cores RGB.
Experiência de medição do coeficiente VT (ondulação) da fonte de alimentação de pulso.
Experiência de medição do coeficiente K.
Experiência de medição de temperatura de junção e resistência térmica.
Não. | Nome da parte | Parâmetro principal |
1 | Fonte de alimentação LED I (fonte de corrente constante) | Entrada 110V/220V, saída 0 ~ 50/500mA, faixa de tensão 0-10V |
2 | Fonte de alimentação LED II (fonte de tensão constante) | Entrada 110V/220V, saída 0 ~ 10V; faixa de corrente 0-0. 1A |
3 | (Programável) Fonte de alimentação de pulso | Saída de pequena corrente variando de 0 a 50 mA; saída de grande corrente Variando de 50 a 500 mA. |
4 | Fonte de alimentação de controle de temperatura | Faixa de aquecimento: 0-100 °C |
5 | Iluminômetro com Detector | Iluminância mensurável e valores de fluxo luminoso, faixa de iluminância: 0,001 LX a 2000 LX; Faixa de fluxo luminoso: 0,001 LM a 999 LM; |
6 | Fonte de alimentação RGB (fonte de corrente constante) | Saída atual trifásica |
7 | Espectrômetro de fibra | Faixa de comprimento de onda: 350-1050nm, resolução 2nm |
8 | Fonte de luz de tungstênio de refrigeração do ventilador | Faixa de comprimento de onda: 400 nm-2000 nm Método de refrigeração: Ventilador |
9 | Sistema do controlador de temperatura | Faixa de aquecimento 0 ~ 100 °C |
10 | Integrando Esfera | Esfera de integração de radiação |
11 | Suporte e luminária de LED | Dia 50mm |
Não. | Nome da parte | Modelo | Qty. |
1 | Fonte de alimentação LED I (fonte de corrente constante) | BEM-5036 | 1 |
2 | Fonte de alimentação LED I (fonte de tensão constante) | BEM-5035 | 1 |
3 | (Programável) Fonte de alimentação de pulso | BEM-5037 | 1 |
4 | Fonte de alimentação de controle de temperatura | BEM-5038 | 1 |
5 | Iluminômetro com Detector | BEM-5409 | 1 |
6 | Fonte de alimentação RGB (fonte de corrente constante) | BEM-5711 | 1 |
7 | Espectrômetro de fibra | BIM-6001-06 | 1 |
8 | Fonte de luz de tungstênio de refrigeração do ventilador | BIM-6210 | 1 |
9 | Sistema do controlador de temperatura | BEM-5040A | 1 |
10 | Integrando Esfera | BEM-5216-15004 | 1 |
11 | Suporte e luminária de LED | BEM-5217 | 1 |
12 | Luminária RGB | BEM-5224 | 1 |
13 | Plataforma de ajuste para fonte de luz | BEM-5214 | 1 |
14 | Tubo de abertura com suporte | BEM-5215 | 1 |
15 | Abertura | BEM-5221-03 | 1 |
16 | Tela de visualização | BEM-5410 | 1 |
17 | Trilha | BEM-5201-06 | 1 |
18 | Transportadora | BEM-5204-50 | 1 |
19 | Suporte de Post ajustável | BEM-5205-25 | 1 |
20 | Cartaz | BEM-5209-09 | 1 |
| 21 | Fibra de quartzo | SIM-6102-0605-S/S-P | 1 |
22 | Módulo laser com luminária | BEM-5047 | 1 |
23 | LED amostras de teste com caso de armazenamento | BEM-5048 | 1 |
24 | Cabo de alimentação | BC-105075 | 5 |
25 | Cabo de dados USB | BC-105080 | 2 |
26 | 4mm Banana Plug Cabo Conector, Vermelho | BC-105084 | 6 |
27 | 4mm Banana Plug Cabo Conector, Preto | BC-105083 | 6 |
28 | Cabo de conector de aviação de 6 pinos | BC-104103 | 1 |
1. experimento de conversão elétrica & eletro-óptica

2. Investigue a relação entre corrente, fluxo luminoso e eficiência luminosa

3. experiência de distribuição espacial de luz (curva de distribuição de luz)

A curva que mostra a variação da média
Intensidade da luz no espaço unidimensional com a corrente

Distribuição de luz espacial bidimensional
Curva (distribuição de luz)
4. a curva que mostra a relação entre fluxo atual e luminoso

A curva que mostra a relação entre a eficiência atual e luminosa
5. medir os parâmetros de cromaticidade de diferentes LEDs

A curva que mostra a relação entre a eficiência atual e luminosa
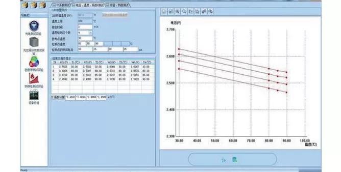
6. experimento de teste de característica térmica
Este módulo é usado para medir e calcular o coeficiente K, a resistência térmica e a temperatura da junção dos LEDs. A configuração experimental inclui um sistema de controle de temperatura, uma fonte de alimentação de controle de temperatura e uma fonte de alimentação de pulso. Após o início do experimento, a curva tensão-tempo pode ser exibida em tempo real na interface do software, permitindo a análise da temperatura da junção e da resistência térmica no estado estacionário.

Teste de coeficiente K de corrente pequena
