Resolução óptica: até 0,08nm
Design compacto: Palm-size para fácil operação
Caminho óptico: configuração de C-T assimétrica cruzada com filtro de interferência para supressão de difração de segunda ordem
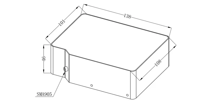
Conectividade de fibra: Conector de fibra óptica SMA905 para integração perfeita com dispositivos externos
Configuração flexível: Faixa de comprimento de onda selecionável e resolução óptica
Interface: USB 2.0 para transferência simultânea de dados e fonte de alimentação
Protocolo de comunicação: suporte RS232
Opções de gatilho: Múltiplos modos de gatilho disponíveis
Software avançado: cálculo automatizado de comprimento de onda e largura de banda de pico
Personalização: Suporta SDK para desenvolvimento secundário e integração OEM
Comprimento de onda do centro laser, FWHM e medição de estabilidade
Medição do espectro de emissão e absorção
Teste de transmitância & absorvância
Detecção de fluorescência
Medição de cor
Medição de LED/LIBS
Teste de espectro de energia solar
Modelo | Série BIM-6601A |
Faixa de comprimento de onda | 315nm-1100nm opcional |
Resolução | ~ 0,08nm |
Conector de fibra | SMA905 |
Tipo de Detector | TCD1304, forro CCD |
Detector Pixel | 3648 pixel, cada pixel 8μm × 200μm |
Relação sinal/ruído | 300:1 |
Resolução A/D | 16 bit |
Tempo de integração | 4ms -10s |
Alcance dinâmico | 300:1 |
Modelo de gatilho | Modo Normal, Software, Hardware, Gatilho de Sincronização |
Consumo de energia | 250mA,5VDC |
Temperatura de funcionamento | 5 °C-35 °C (25 °C recomendado) |
Interface de comunicação | USB2.0(12Mbps) RS232(115200bps) |
Sistema de operação | WinXP, Win7, Win8, Win10 |
Linearidade | > 99% |
Fonte de alimentação | USB |
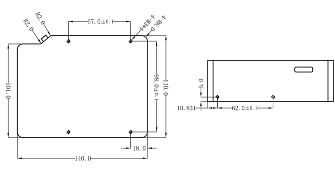
Dimensão | 140mm × 110mm × 46mm |
Peso | 0,7 kg |
# | Descrição da parte | Qty. |
1 | Espectrômetro | 1 |
2 | Cabo USB | 1 |
3 | Relatório de calibração (QRCode para download de Software & Manual) | 1 |
4 | Caixa de embalagem | 1 |
Modelo | Modelo com configuração | Faixa de comprimento de onda | Resolução |
BIM-6601A-01 | BIM-6601A-01-S03L00F00G10 | 400-620 nm | ~ 0,3 nm |
BIM-6601A-02 | BIM-6601A-02-S02L00F08G08 | 890-990 nm | ~ 0,15 nm |
BIM-6601A-03 | BIM-6601A-03-S02L00F00G08 | 1005-1080 nm | ~ 0,15 nm |
BIM-6601A-03 | BIM-6601A-03-S02L00F08G08 | 1005-1080 nm | ~ 0,15 nm |
BIM-6601A-04 | BIM-6601A-04-S02L00F08G08 | 750-870 nm | ~ 0,15 nm |
BIM-6601A-05 | BIM-6601A-05-S02L00F08G27 | 900-1100 nm | ~ 0,2 nm |
BIM-6601A-06 | BIM-6601A-06-S02L00F00G08 | 355-495 nm | ~ 0,15 nm |
BIM-6601A-07 | BIM-6601A-07-S02L00F00G08 | 510-650 nm | ~ 0,15 nm |
BIM-6601A-08 | BIM-6601A-08-S01L00F08G08 | 900-1000 nm | ~ 0,1 nm |
BIM-6601A-09 | BIM-6601A-09-S01L00F00G25 | 300-750 nm | ~ 0,4 nm |
BIM-6601A-10 | BIM-6601A-10-S01L00F00G10 | 445-655 nm | ~ 0,1 nm |
BIM-6601A-11 | BIM-6601A-11-S01L00F08G28 | 697-1137 nm | ~ 0,4 nm |
BIM-6601A-12 | BIM-6601A-12-S02L00F08G08 | 725-845 nm | ~ 0,15 nm |
BIM-6601A-13 | BIM-6601A-13-S01L00F08G29 | 810-1095 nm | ~ 0,2 nm |
BIM-6601A-14 | BIM-6601A-14-S01L00F00G30 | 380-482 nm | ~ 0,08 nm |
BIM-6601A-15 | BIM-6601A-15-S01L00F00G30 | 360-460 nm | ~ 0,08 nm |
BIM-6601A-15 | BIM-6601A-15-S01L02F00G30 | 350-450 nm | ~ 0,08 nm |
BIM-6601A-15 | BIM-6601A-15-S01L01F08G30 | 680-730 nm | ~ 0,08 nm |
BIM-6601A-15-S01L02F08G30 | ~ 0,08 nm | ||
BIM-6601A-16 | BIM-6601A-16-S01L00F00G30 | 510-605 nm | ~ 0,08 nm |
BIM-6601A-17 | BIM-6601A-17-S01L01F08G27 | 800-1000 nm | ~ 0,1 nm |
BIM-6601A-18 | BIM-6601A-18-S02L00F08G08 | 570-690 nm | ~ 0,15 nm |
BIM-6601A-19 | BIM-6601A-19-S02L02F05G12 | 380-900 nm | ~ 0,8 nm |
BIM-6601A-20 | BIM-6601A-20-S01L01F11G34 | 400-840 nm | ~ 0,4 nm |
Software de espectro BSV
